適合焚化物:Applications
1. 不可燃高濃度(BOD、COD)廢水、廢液、有機酸、有機堿等。
2. 可燃燒廢液,廢溶劑等。
特點:Characteristics
1. 霧化效果佳 采用第四代霧化裝置,燃燒效果佳。
2. 無二次污染 低氮燃燒技術,無煙,無臭,無有害氣體。
3. 安全性高 紫外線監測系統,警報系統完備,無爆炸之慮。
4. 故障率低 進口零件,雙回路系統,品質佳,壽命長。
5. 廢油、廢液、廢溶劑、有機廢氣同時處理效果佳、成本低。
1. Adopts the 4th generation atomizer system.
2. Low-nitrogen combustion technology, smokeless and odorless, without harmful gas.
3. Compelet ultraviolet radiation inspection system and alarm system.
4. Good-quality imported spare parts and double loop system.
5. Simultaneous processing of waste oil, waste liquid and waste solvent, waste gas.
東亞廢液爐 廢液爐運行 正和廢液爐
-WO%E5%9E%8B%E7%B3%BB%E5%88%97%E5%BA%9F%E6%B6%B2%E7%82%89/%E8%BF%AA%E7%88%B1%E7%94%9F%E5%BA%9F%E6%B6%B2%E5%BA%9F%E6%B0%94%E7%84%9A%E7%83%A7%E7%82%89.jpg)
迪愛生廢液廢氣焚燒爐
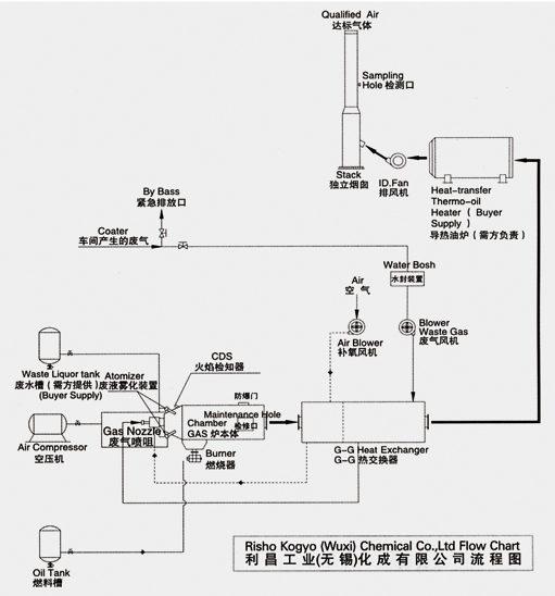
工程案例:Engineering sample
主要技術參數:Specification
| 型號TYPE | HT-WO-10 | HT-W0-20 | HT-WO-30 | HT-WO-40 | HT-WO-50 | HT-WO-60 |
| 焚燒能力Capacity(kg/h) | 100 | 200 | 300 | 400 | 500 | 600 |
| 電源POWER(V) | 三相Three-phase Current 380V 50hz | |||||


客服1